ບໍລິສັດ Zhejiang Sehnaider Powerge ບໍລິສັດຈໍາກັດ.
ບໍລິສັດ Zhejiang Sehnaider Powerge ບໍລິສັດຈໍາກັດ.
ຜະລິດຕະພັນ
BH-0.66-60 Transformers ໃນປະຈຸບັນ
  • BH-0.66-60 Transformers ໃນປະຈຸບັນBH-0.66-60 Transformers ໃນປະຈຸບັນ

BH-0.66-60 Transformers ໃນປະຈຸບັນ

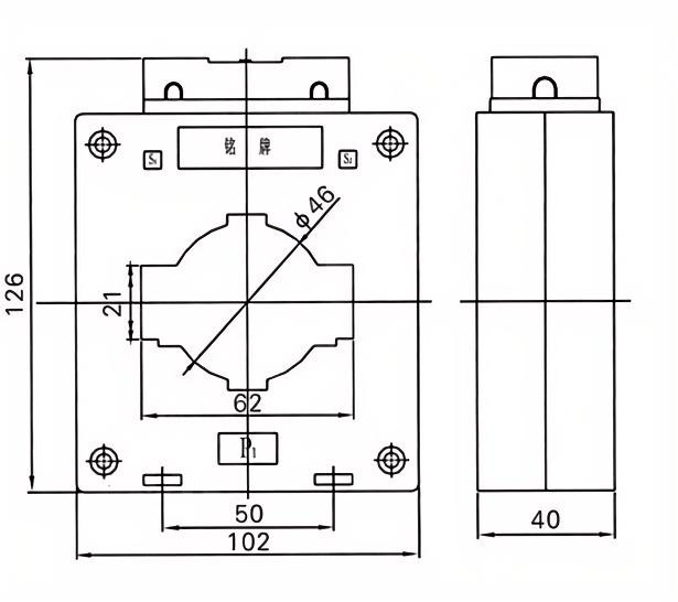
ການຫັນປ່ຽນໃນປະຈຸບັນ BH-0.66-60 ຮັບຮອງເອົາໄຟໃນປະຈຸບັນ - ເອກະສານ retardant, ແລະ Magnetic Core ແມ່ນຮັບປະກັນຄວາມຖືກຕ້ອງຂອງຜະລິດຕະພັນໃນລະດັບ 0.2 ແລະ 0.5. ສໍາລັບ Ultra - ລະດັບຄວາມຖືກຕ້ອງສູງເຊັ່ນ: 0.2s ແລະ 0.5s, ມີພຽງແຕ່ແມ່ເຫຼັກ superconducting ສາມາດຕອບສະຫນອງຄວາມຕ້ອງການຄວາມຫມາຍດັ່ງກ່າວ.

BH-0.66-60, ປະຈຸບັນແມ່ນໃຊ້ໄດ້ກັບລະບົບໄຟຟ້າທີ່ມີຄວາມຖີ່ຂອງການປະເມີນຜົນ 0.69kV, 0.5kV, 0.5kv ແລະດ້ານລຸ່ມສໍາລັບການວັດແທກພະລັງງານໄຟຟ້າ, ການປ້ອງກັນໃນປະຈຸບັນແລະ relay.


ຫມໍ້ແປງໄຟໃນປະຈຸບັນນີ້ຂອງ Dahu ແມ່ນສໍາລັບການນໍາໃຊ້ໃນລົ່ມ, ຕິດຕັ້ງພາຍໃນພາຍໃນຕູ້ແລະຫ້ອງແຈກຢາຍພາຍໃນ. ມັນມີການອອກແບບວົງຈອນແມ່ເຫຼັກທີ່ມີຄວາມນິຍົມໃຫມ່, ວິທີການຊົດເຊີຍທີ່ກ້າວຫນ້າ, ເຕັກນິກການປຸງແຕ່ງທີ່ແປກປະຫຼາດ, ການປະຕິບັດທີ່ປອດໄພແລະຫນ້າເຊື່ອຖື, ແລະຮູບລັກສະນະນ້ອຍໆແລະສວຍງາມ.


ເປືອກນອກເຮັດດ້ວຍຄວາມສູງ - ແປວໄຟທີ່ມີຄວາມເຂັ້ມແຂງ - ຄອມພີວເຕີ້ retardant ທີ່ມີແບບໂຄງສ້າງທີ່ເຕັມໄປດ້ວຍແລະອັດຕາດອກໄຟ - ອັດຕາທີ່ຕອບແທນຂອງ V1. ແກນພາຍໃນແມ່ນເຮັດດ້ວຍເມັດທີ່ມີຄຸນນະພາບ - ຮູບຊົງສະແຕນເລດຊິລິໂຄນ. ເສັ້ນຜ່າສູນກາງສາຍແມ່ນຖືກຄັດເລືອກຢ່າງເຂັ້ມງວດຕາມຄວາມຫນາແຫນ້ນຂອງເສດຖະກິດເພື່ອຮັບປະກັນການເພີ່ມຂື້ນຂອງອຸນຫະພູມຫນ້ອຍລົງ. ດ້ວຍອຸປະກອນທົດສອບທີ່ກ້າວຫນ້າແລະເຊື່ອຖືໄດ້, ມັນຮັບປະກັນການປະຕິບັດຕາມມາດຕະຖານທີ່ມີຄຸນນະພາບ.


ມັນມີປະເພດຂຸມຮຽບຮ້ອຍແລະຮູບຊົງທີ່ເຫມາະສົມສໍາລັບດຽວ - ຮາກຫຼືຫຼາຍສາຍ - ສາຍເຄເບີນຮາກຫຼືດ່ຽວ - ຮາກ - ຮາກ. ມັນມີຊຸດຜະລິດຕະພັນທີ່ສົມບູນ, ຫຼາກຫຼາຍຊະນິດຂອງສະເພາະ, ແລະລະດັບຄວາມສາມາດໃນການສະຫມັກໄດ້.


ຄໍາຮ້ອງສະຫມັກ

ການຕິດຕາມພະລັງງານແລະວັດແທກ

ການປົກປ້ອງວົງຈອນແລະການປະສານງານກ່ຽວກັບວົງຈອນ

ອັດຕະໂນມັດອຸດສາຫະກໍາແລະລະບົບ Grid Smart Grid

ສະເພາະດ້ານວິຊາການ

ອັດຕາແຮງດັນ: 0.66kv

ຄວາມຖີ່: 50 / 60hz

ຫ້ອງທີ່ຖືກຕ້ອງ: 0.5, 1.0 (ສາມາດປັບແຕ່ງໄດ້)

ລະດັບການສນວນ: 3KV / ນາທີ


ຕົວກໍານົດການເຕັກນິກຫຼັກ

ຈັດອັນດັບ
ປະຈຸບັນ (A)
ຄວາມໂດດເດັ່ນ
ຫ້ອງຮຽນ
ການປະສົມປະສານ
ຈັດອັນດັບສອງຜົນຜະລິດ (va) 1 ໃນຄວາມຮ້ອນໃນປະຈຸບັນ (ka) ກະແສປະຈຸບັນທີ່ມີຄວາມຄ່ອງແຄ້ວ (ka)
0.2 (s) 0.2 0.5 10p10
5-40 0.2 / 10p10
0.5 / 10p10
/ 10 10 15 90lin 220LIN
5-40 ຮ້ອຍອາການ 250lin
5-40 20 50
5-40
5-40 36 90
10
5-40 45 100
5-40 56 100
5-40
5-40 80 110
5-40 100 110


Hot Tags: BH-0.66-60 Transformers ໃນປະຈຸບັນ
ສົ່ງສອບຖາມ
ຂໍ້​ມູນ​ຕິດ​ຕໍ່
  • ທີ່ຢູ່

    ເຂດອຸດສາຫະກໍາໄຊຍະບູລີແຂວງໄຊຍະບູລີ, ແມ່ນແຕ່ທ່ານ, Zhejiang, ປະເທດຈີນ

  • ອີເມລ

    river@dahuelec.com

ຖ້າທ່ານມີການສອບຖາມກ່ຽວກັບວົງຢືມຫລືການຮ່ວມມື, ກະລຸນາສົ່ງອີເມວຫາພວກເຮົາທີ່ RiverueCE.com ຫຼືໃຊ້ແບບຟອມສອບຖາມຕໍ່ໄປນີ້. ຜູ້ຕາງຫນ້າຝ່າຍຂາຍຂອງພວກເຮົາຈະຕິດຕໍ່ຫາທ່ານພາຍໃນ 24 ຊົ່ວໂມງ. ຂອບໃຈສໍາລັບຄວາມສົນໃຈຂອງທ່ານໃນຜະລິດຕະພັນຂອງພວກເຮົາ.
X
We use cookies to offer you a better browsing experience, analyze site traffic and personalize content. By using this site, you agree to our use of cookies. Privacy Policy
Reject Accept